新闻中心

搜索:

高温双速离心风机有哪些型号呢?

文章来源:鑫佳通 作者:HTFC-II型前倾柜式离心风机小编 发布时间:2020-08-20 16:37:16 浏览次数:9965

高温双速离心风机是依靠输入的机械能,提高气体压力并排送气体的机械,它是一种耐高温高效率从动的流体机械,广泛适用于低噪声、大风量通风排烟场所。高温双速离心式风机主要有机壳、主轴、叶轮、轴承传动机构、箱体及双速电机等组成,根据安装位置不同,可以提供多种不同角度的进出风口位置,来满足不同用户的需求。

目前市面上需求主流的高温双速离心风机主要有HTFC-II型前倾柜式高温双速离心风机,HTFC-V型后倾柜式双速高温离心风机,ISQ型无蜗壳柜式双速离心风机。

高温双速离心风机型号

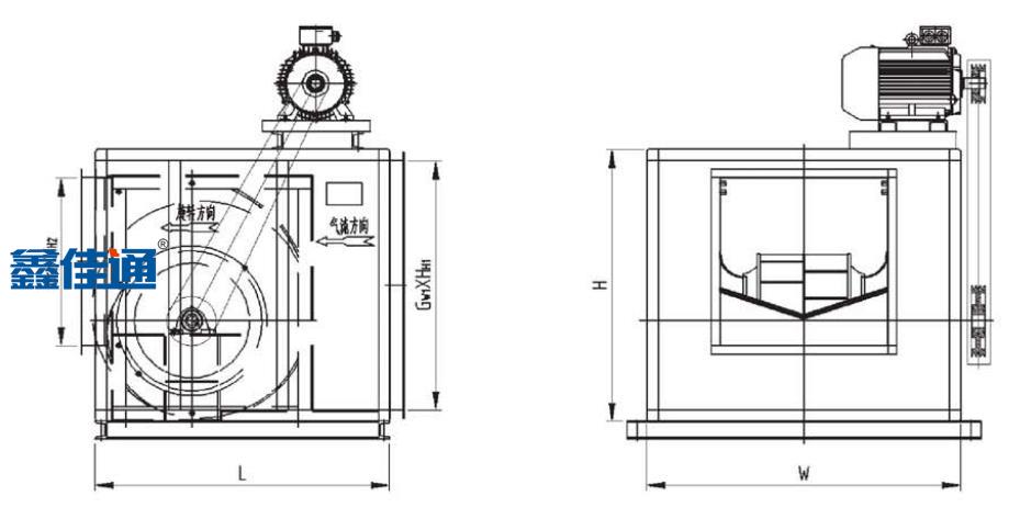
HTFC-II型前倾柜式离心风机是一种高效率、低噪声箱式双速高温离心风机。双速电机装在箱体外(A式),用于消防排烟,可在280℃度高温条件下连续运行30分钟,也可根据防爆要求可做成防爆风机用于易燃、易爆气体场所。

HTFC-V型后倾柜式离心风机,(A式)双速电机装在箱体外用于消防排烟,能在300℃高温条件下连续运行60分钟以上。HTFC-V型后倾柜式离心风机可根据条件加装消声器和防爆装置,用于适应低噪声、防爆要求场合,也可加配初效、中效或高效过滤器,以提高空气的清洁度,配置过滤器时应考虑实际压力损耗并需适当增加箱体长度。

高温双速柜式离心风机

ISQ型无蜗壳柜式双速离心风机是一种叶片为后倾式箱形离心风机,产品由低噪声后倾离心风机叶轮、双速电机、箱体、支架等组成。根据安装位置不同提供不同角度进出风口位置,以满足用户的安装需求。采用电机内置安装结构,减小声源噪声,主要用于通风换气。根据场所噪声要求,可加装消声器,该型风机可在100℃高温环境连续工作20小时,280℃高温环境连续工作30分钟。ISQ型无蜗壳柜式双速离心风机可广泛应用于宾馆、饭店、礼堂、影院、地下室、厂矿企业、办公楼等场所。

ISQ型无蜗壳柜式离心风机

高温双速离心风机安装事项

1、离心风机整体机组的安装,应直接放置在基础上用成对斜垫铁找平。

2、现场组装的离心风机,底座上的切削加工面应妥善保护,不应有锈蚀或操作,底座放置在基础上时,应用成对斜垫铁找平。

3、轴承座与底座应紧密接合,纵向不水平度不应超过0.2/1000,用水平仪在主轴上测量,横向不水平底不应超过0.3/1000,用水平仪在轴承座的水平中分面上测量。

4、轴瓦研刮前应先将转子轴心线与机壳轴心线校正,同时调整叶轮与进气口间的间隙和主轴与机壳后侧板轴孔间的间隙,使其符合设备技术文件的规定。

5、主轴和轴瓦组装时,应按设备技术文件的规定进行检查。轴承盖与轴瓦间应保持0.03~0.04毫米的过盈(测量轴瓦的外径和轴承座的内径)。

6、风机机壳组装时,应以转子轴心线为基准找正机壳的位置并将叶轮进气口与机壳进气口间的轴向和径向间隙高速至设备技术文件规定的范围内,同时检查地脚螺栓是否紧固。其间隙值如设备技术文件无规定时,一般轴向间隙应为叶轮外径的1/100,,径向间隙应均匀分布,其数值应为叶轮外径的1.5/1000~3/1000(外径小者取大值)。调整时力求间隙值小一些,以提高风机效率。

7、风机找正时,风机轴与电动机轴的不同轴度:径向定位移不应超过0.05毫米,倾斜不应超过0.2/1000。

8、滚动轴承装配的离心风机,两轴承架上轴承孔的不同轴度,可待转子装好后,以转动灵活为准。

双速柜式离心风机

高温双速消防离心风机具备高效率、高风量、耐高温、低噪声、运行平稳可靠等优势,广泛应用于宾馆、饭店、礼堂、影院、地下室、办公楼、医院、商场等场所需要低噪声、大风量通风排烟场所。

上一条:T701-6型阻抗复合式消声器特点 下一条:轴流风机如何调试和安装呢? 返回列表